Products sort
TS…A SERIES

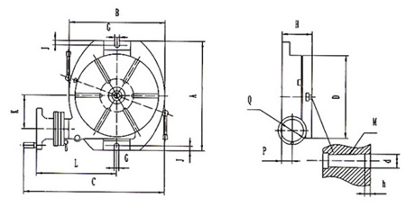
TS…A Series Rotary Table

Similar Products
Data sheets
Description

Model TS160A TS200A TS250A TS320A TS400A TS500A TS630A TS800A TS1000A
Diameter of table (mm) 160 200 250 320 400 500 630 800 1000
Morse taper of the center hole MT2 MT3 MT3 MT3 MT3 MT5 MT5 MT6 MT6
Diameter of the center hole (mm) 25x6 30x6 30x6 40x10 40x10 50x12 50x12 75x14 75x14
Width of the T-slot (mm) 10 12 12 14 14 18 18 22 22
Adjacent angle of table T-slot 90° 90° 60° 60° 60° 45° 45° 45° 45°
Width of the locating key (mm) 12 14 14 18 18 - - - -
Modules of worm and worm gear 1.5 1.75 2 2.5 3.5 3.5 4.5 5.5 5.5
Transmission ratio of the worm gear 1:90 1:90 1:90 1:90 1:90 1:120 1:120 1:120 1:120
Graduation of the table 360° 360° 360° 360° 360° 360° 360° 360° 360°
Rotating angle of table with one revolution of the worm 4°(1per graduation) 3°(1per graduation)
Minimum value of vernier 10" 10" 10" 10" 10" 10" 10" 10" 10"
Indexing accuracy 80"                
Max. workload (kg) 100 150 200 250 300 550 700 1250 2000
Net weight (Kg) 16.5 22.5 33.5 65 125 215 345 800 1300
Gross weight (Kg) 21.5 31 44.5 76 145 238 377 855 1400
Case dimensions (mm) 400x330
x200
440x360
x208
500x400
x210
580x480
x238
750x616
x280
850x730
x302
995x900
x326
1175x
1090x391
1430x
1224x550

WEIHAI HUITONG HARDWARE & MACHINERY CO.,LTD.
Unit 1201,Jinhou Business-BLDG., NO. 109C, Xinwei Road, Weihai City, China
Tel:0086-631-5300306,5300706 / Fax:0086-631-5300809,5321935 / E-mail:sales@htong-tools.com pure@htong-tools.com
Copyright 2011 Weihai Huitong Hardware & Machinery Co., Ltd.i All Rights Reserved.